Water Quality Tester

Designed and developed a STM32 based Water Quality Tester using 3 Sensors (Total Dissolved Solids (TDS) Sensor, pH Sensor and a Turbidity Sensor) to effectively evaluate the consumability of a water sample.

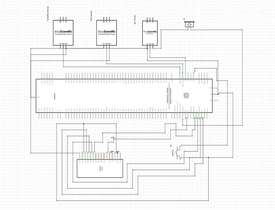
Circuit Schematic



Components
  • STM32F401 Nucleo Board
  • TDS Sensor
  • pH Sensor
  • Turbidity Sensor

CAD Visualization of the Tester


TODO: Embed Design Document


Gitlab

Kaustubh Doval © 2025